技術支持
來源:光虎
圖 1 Camera Link線纜
由于單個Camera Link芯片只有28位數據可用,為了提高傳輸數據的效率,需要幾個Camera Link芯片。按使用要求不同,視頻傳輸模式分為三種配置:Base(基本)配置為一個Camera Link芯片,一根電纜; Medium(中級)配置為兩個Camera Link芯片,一根電纜;Full(完整)配置為兩個Camera Link芯片,兩根電纜。
Base模式需要一塊Channel Link的芯片和一個Camera Link機械接口,發送器在每個像素時鐘里發送 28bits數據,包括4bits的圖像使能信號和24bits的圖像數據。24bits圖像數據可以是一個像素點的24-bitRGB數據、3個像素點的8-bit黑白圖像數據、1到2個像素點的10-bit或12-bit的黑白圖像數據、一個像素點的14-bit或16-bit的黑白圖像數據。Base模式產生的視頻數據吞吐量為2.04Gbit/s(255MB/s)。
Medium模式需要兩塊Channel Link的芯片和兩個Camera Link機械接口,發送器在每個像素時鐘里發送40bits數據,包括4bits的圖像使能信號和36bits的圖像數據。4bits圖像使能信號與Base模式下相同。36bits圖像數據可以是一個像素點的36-bit或30-bitRGB數據、4個像素點的8-bit黑白圖像數據、3到4個像素點的10-bit或12-bit的黑白圖像數據。Medium模式視頻數據吞吐量為4.08Gbit/s(510 MB/s)。
Full模式需要三塊Channel Link的芯片和兩個Camera Link機械接口,發送器在每個像素時鐘里發送68bits數據,包括4bits的圖像使能信號和64bits的圖像數據。4bits圖像使能信號與Base模式下相同。Full模式視頻數據吞吐量為5.44Gbit/s(680MB/s)。
Deca模式是由于某些相機和數據采集硬件制造商已將接口的帶寬擴展到超出了Camera Link接口規范所施加的限制,所以通過利用8個未使用的位并重新分配8個冗余成幀/啟用位來在兩個連接器/電纜上產生高達80位的數據路徑寬度來擴展“Full”配置的寬度,從而進一步增加了視頻帶寬。Deca模式視頻數據吞吐量為6.8Gbit/s(850MB/s)。
業界已經就80位版本達成共識,并且兼容的相機和圖像采集卡以“Camera Link Deca”一詞進入市場。但是有部分制造商使用“Extended Full”來指代Deca配置,而另一些制造商則使用“Full Deca”。
標準規定了與Camera Link一起使用的26針微型Delta色帶連接器(MDR-26),2007年升級的1.2版標準中,首次引入了Mini SDR(Shrunk D Ribbon)連接器(SDR-26)和相機鏈路電源(PoCL),即Mini Camera Link接口,以及Power over Camera Link功能。
圖 3 連接器的引腳分配
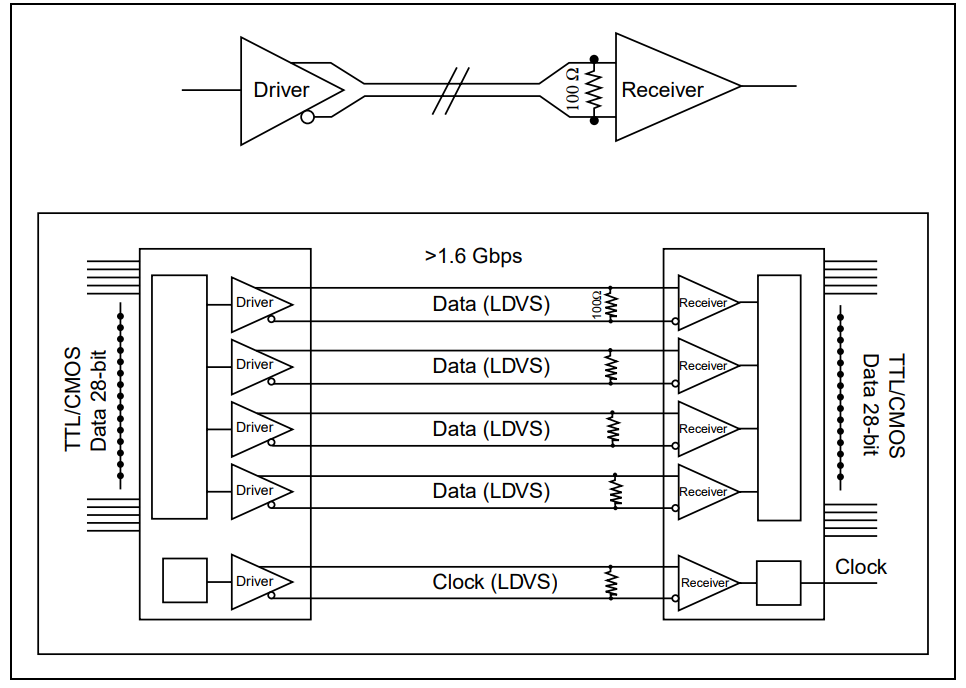
Camera Link技術標準是基于National?Semiconductor公司的Channel Link標準發展而來的,標準的Camera Link是由多路Channel Link復用而成的,不僅包含相機圖像數據信號和時鐘信號,而且還包含相機的控制信號和串行通信信號,而Channel Link標準是一種多路并行LVDS傳輸接口標準。LVDS是一種低擺幅的差分信號技術,電壓擺幅在350mV左右,具有擾動小、跳變速率快的特點,在無失傳輸介質里的理論最大傳輸速率在?1.923Gbps。
Camera Link就是一種基于物理層的LVDS傳輸方式。下圖為Camera Link總線發送端與接收端的連接框圖,也是該總線的基本模式。總線發送端,將28位并行數據轉換為4對LVDS串行差分數據傳送出去,還有一對LVDS串行差分數據線用來傳輸圖像數據輸出同步時鐘;而總線接收端,將串行差分數據轉換成28位并行數據,同時轉換出同步時鐘。這樣不但減少了傳輸線的使用量,而且由于采用串行差分傳輸方式,還減少了傳輸過程中的電磁干擾。

所以,Camera Link有實時、高速的特點,高帶寬保證了密集數據的快速傳輸,并且無延遲,采用串行差分傳輸的方式使得抗干擾的能力也尤為突出。
隨著相機幀率的不斷提高,Camera Link標準無法輕松擴展到850 MB/s以上,因此需要另一個新接口來滿足以相同甚至更低的成本獲得更高帶寬的需求。在眾多行業領先的生產商對最佳技術解決方案進行了廣泛的探索之后,Teledyne DALSA的HS-Link技術提供了第一個“概念證明”,以單鏈路(或者在Camera Link HS行話中叫做“lane”)實現最高300 MB/s的傳輸速度,并以20條通道實現最高6GB/s的傳輸速度。
相較于Camera Link線纜,Camera Link HS在超過15m的時候可以擁有更長的傳輸距離;在低于15m的情況下,Camera Link HS單根線纜即可達到和2根Camera Link線纜同樣的帶寬,部署成本卻更低。同樣都是3mm線纜直徑,Camera Link HS在單根線纜上的帶寬高達3.4Gbit/s。

在相機不斷發展的今天,高像素、高幀率仍是一個重要的發展方向。在未來,為了滿足更高的生產和科研要求,會有越來越多的相機適配Camera Link協議,以滿足不斷增長的需求,應用Camera Link的相機將會在市場占據穩定的份額,Camera Link協議將會為你的數據傳輸提供優質的體驗。